NEWPORT 优铂特 M-IMS300BPP IMS 长行程铝步进电机线性平移台
NEWPORT 优铂特 M-IMS300BPP IMS 长行程铝步进电机线性平移台
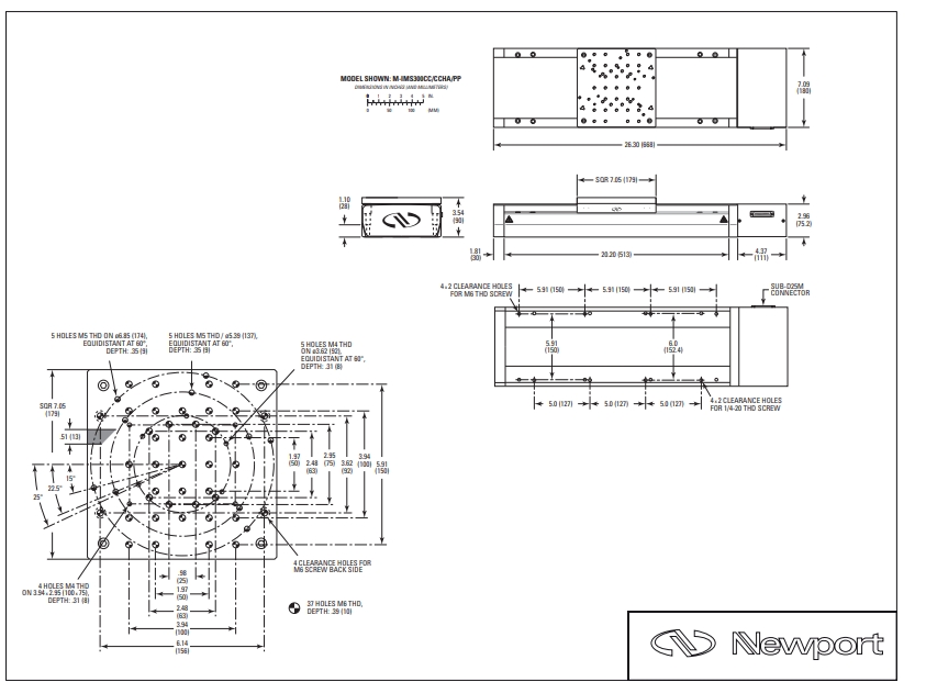
电动线性位移台,300mm行程,步进电机,旋转编码器,M6
FEM - 优化的铝制机身

有限元法(FEM)用于优化IMS系列舞台铝制车身的结构设计,从而实现了极高的刚度并最大程度地降低了双金属弯曲而又不影响重量。 刚体设计减少了载荷下的挠曲,从而在铝制载物台设计中实现了最高的性能。 还提供FEM优化的ILS工作台,这些工作台具有更短的行程范围,更低的负载能力和更小的移动平台。
经济型微米步进电机

对于要求不高的应用,步进电机可能是比直流电机更经济的解决方案。 步进电机使用磁吸和排斥的基本原理进行操作,将数字脉冲转换为机械轴的旋转。 为了提高运动的分辨率和平滑度,这些阶段均具有微米步距功能,这是一种将运动的完整步长以电子方式划分为大量局部步长的方法。
改善工作性能的旋转编码器

步进电机通常是开环运行,其位置取决于命令的步数和微米步径。 在指定的扭矩和速度范围内使用时,此功能可靠地工作。 但是,步进电机的运动超出其指定范围将变得不可预测。 为避免螺丝/电机耦合错误,这些级的位置测量值应以4000 cts / rev的速度读取。 旋转编码器直接位于螺钉上。
循环滚珠轴承滑块

借助精确的线性轨迹,循环滚珠轴承滑轨可提供优异的有效载荷和更长的使用寿命。它可以缓解滚珠轴承罩移位的问题,该问题通常出现在线性滚珠轴承或交叉滚子轴承上。
无侧隙滚珠丝杠

ILS 平移台包含有预装的无侧隙滚珠丝杠,可实现具有较短步进时间和稳定时间的平滑且快速的运动。螺杆型材的设计在于减少热效应,从而延长平移台的使用寿命。
参数
-
行程范围300 mm
-
最大速度100 mm/s
-
最小位移增量1250 nm
-
中心负载能力600 N
-
轴向负载 (+Cx)30 N
-
逆轴向负载能力 (-Cx)-30 N
-
精度,典型值±2.5 µm
-
精度,保证值±5.0 µm
-
单向重复精度,典型值±0.45 µm
-
单向重复精度,保证值±0.65 µm
-
双向重复精度,典型值±0.70 µm
-
双向重复精度,保证值±1.25 µm
-
俯仰,典型值±37 µrad
-
俯仰,保证值±75 µrad
-
俯仰顺应性0.2 µrad/Nm
-
偏摆,典型值±15 µrad
-
偏摆,保证值±50 µrad
-
偏摆顺应性1 µrad/Nm
-
滚转顺应性1 µrad/Nm
-
驱动方式Stepper Motor
-
反馈Rotary Encoder
-
原点重复精度±0.5 µm
-
电缆长度5 m
-
螺纹类型M6
-
重量17 kg
-
MTBF20,000 h (25% load, 30% duty cycle)
-
顺应性RoHS 3, CE


手机/微信:18320955412 电话:86 0755 84689265 QQ:2423332841 邮箱:2423332841@qq.com