NEWPORT 优铂特 9067-X-V 交叉滚子轴承钢制平台

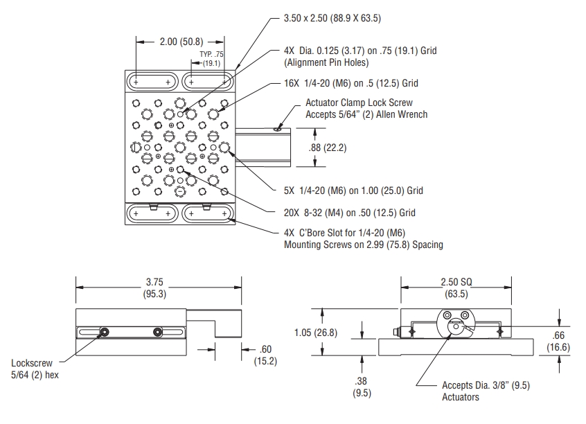
NEWPORT   优铂特      9067-X-V    交叉滚子轴承钢制平台     线性位移台,1.0英寸行程, 8-32和1/4-20,真空     9067-X-V真空兼容不锈钢交叉滚子轴承线性平移台是一个1.0英寸(25毫米)行程的线性平移台,由于这些不锈钢平台的重量由促动器而不是弹簧支撑,因此具有更高的稳定性。这为在Z轴配置中使用这些X轴配置的平台提供了便利。这些平台组装干净,并使用适用于真空和清洁环境的低蒸气压润滑脂。9067系列平台具有大量的安装孔图案,包括20个8-32和21个1/4-20的螺纹安装孔,不包括促动器。我们建议将8302-V真空兼容的picomotor促动器用于真空应用。 参数   位移轴 X   最大位移台行程 25.4 mm     中心负载  222 N   轴向负载  80 N   角度偏差 150 µrad   材料 Stainless Steel   轴承 Crossed-Roller Bearings   螺纹类型 8-32 and 1/4-20   真空兼容性 10-6 hPa   推荐的压电促动器 8302-V &nbs...
分类:
货号:
9067-X-V
分享

相关产品

 
 

NEWPORT   优铂特      9067-X-V    交叉滚子轴承钢制平台

 

 

线性位移台,1.0英寸行程, 8-32和1/4-20,真空

 

 

参数

 
  • 位移轴
    X
     
  • 最大位移台行程
    25.4 mm  
     
  • 中心负载 
    222 N
     
  • 轴向负载 
    80 N
     
  • 角度偏差
    150 µrad
     
  • 材料
    Stainless Steel
     
  • 轴承
    Crossed-Roller Bearings
     
  • 螺纹类型
    8-32 and 1/4-20
     
  • 真空兼容性
    10-6 hPa
     
  • 推荐的压电促动器
    8302-V

 

 

 

 

手机/微信:18320955412   电话:86 0755 84689265  QQ:2423332841  邮箱:2423332841@qq.com