HAMAMATSU滨松 D型插座组件 E2624-05
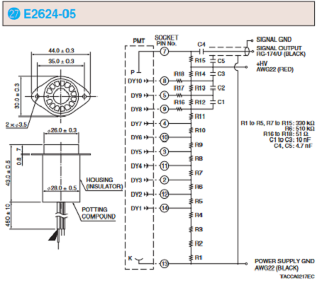
HAMAMATSU滨松 D型插座组件 E2624-05 详细参数 适用的 PMT 28 mm 端窗型 电源电压极性 + [Max. Rating] 绝缘电压(机箱 - 引脚) 2500 V [Max. Rating] 电源电压 2500 V [Max. Rating] 分压器电流 0.53 mA 总分压器电阻 4.8 MΩ 备注 适用于 R6427,用于闪烁计数 0755 84689265 手机/微信:18320955412 QQ:2423332841 邮箱:2423332841@qq.com
分类:
分享
描述
HAMAMATSU滨松 D型插座组件 E2624-05
详细参数
|
适用的 PMT |
28 mm 端窗型 |
|
电源电压极性 |
+ |
|
[Max. Rating] 绝缘电压(机箱 - 引脚) |
2500 V |
|
[Max. Rating] 电源电压 |
2500 V |
|
[Max. Rating] 分压器电流 |
0.53 mA |
|
总分压器电阻 |
4.8 MΩ |
|
备注 |
适用于 R6427,用于闪烁计数 |
0755 84689265 手机/微信:18320955412 QQ:2423332841 邮箱:2423332841@qq.com