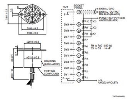
HAMAMATSU滨松 侧面式光电倍增管 R7518P

HAMAMATSU滨松 侧面式光电倍增管 R7518P 详细参数 类型 侧面式 管子尺寸 28 mm 直径 光阴极面区域形状 正方形 光阴极面区域尺寸 8 x 24 mm 波长(短) 185 nm 波长(长) 730 nm 波长(峰值) 410 nm 光谱灵敏度特性曲线代码 456U 光阴极面材料 低噪声双碱 窗材 UV 倍增器电极结构 圆形罩壳 倍增器电极级数 9 [Max. Rating] 阳极至阴极电压 1250 V [Max. Rating] 平均阳极电流 0.1 mA 阳极至阴极电源电压 1000 V [Cathode] 亮度灵敏度最小值 120 μA/lm [Cathode] 亮度灵敏度典型值 130 μA/lm [Cathode] 蓝敏度指数 (CS 5-58) 典型值 10 [Cathode] 辐射灵敏度典型值 85 mA/W [Anode] 亮度灵敏度最小值 1200 A/lm [Anode] 亮度灵敏度典型值 1560 A/lm [Anode] 辐射灵敏度典型值 1.0 x 106 A/W [Anode] 增益率典型值 1.2 x 107 [Anode] 暗电流(30 分钟后) 典型值 0.2 nA [Anode] 暗电流(30 分钟后) 最大值 0.5 nA [Time Response] 上升时间典型值 2.2 ns [Time Response] 渡越时间典型值 22 ns ...
分类:
分享

相关产品

 
 

HAMAMATSU滨松 侧面式光电倍增管 R7518P

详细参数

类型

侧面式

管子尺寸

28 mm 直径

光阴极面区域形状

正方形

光阴极面区域尺寸

8 x 24 mm

波长(短)

185 nm

波长(长)

730 nm

波长(峰值)

410 nm

光谱灵敏度特性曲线代码

456U

光阴极面材料

低噪声双碱

窗材

UV

倍增器电极结构

圆形罩壳

倍增器电极级数

9

[Max. Rating] 阳极至阴极电压

1250 V

[Max. Rating] 平均阳极电流

0.1 mA

阳极至阴极电源电压

1000 V

[Cathode] 亮度灵敏度最小值

120 μA/lm

[Cathode] 亮度灵敏度典型值

130 μA/lm

[Cathode] 蓝敏度指数 (CS 5-58) 典型值

10

[Cathode] 辐射灵敏度典型值

85 mA/W

[Anode] 亮度灵敏度最小值

1200 A/lm

[Anode] 亮度灵敏度典型值

1560 A/lm

[Anode] 辐射灵敏度典型值

1.0 x 106 A/W

[Anode] 增益率典型值

1.2 x 107

[Anode] 暗电流(30 分钟后) 典型值

0.2 nA

[Anode] 暗电流(30 分钟后) 最大值

0.5 nA

[Time Response] 上升时间典型值

2.2 ns

[Time Response] 渡越时间典型值

22 ns

[Time Response] 渡越时间分散度典型值

1.2 ns

备注

阳极暗计数(典型值):10 (s-1) 阳极暗计数(最大值):50 (s-1)

0755 84689265 手机/微信:18320955412  QQ:2423332841  邮箱:2423332841@qq.com