HAMAMATSU滨松 放电火焰传感器 R14388
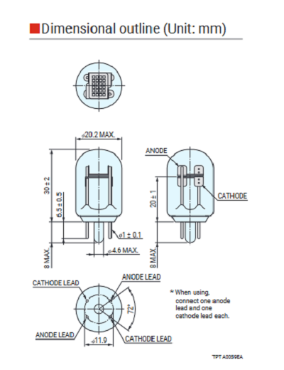
HAMAMATSU滨松 放电火焰传感器 R14388 详细参数 光谱灵敏度特性(短) 185 nm 光谱灵敏度特性(长) 260 nm 电极材料 Ni 重量 5.3 g [Maximum Rating] 电源电压(直流) 420 V [Maximum Rating] 平均放电电流 3 mA [Maximum Rating] 峰值电流 50 mA [Maximum Rating] 工作环境温度 -40 至 +125 °C 放电启动电压(直流) 260 V 放电维持电压(直流) 185 V 灵敏度典型值 10000 min-1 背景最大值 5 min-1 [Recommended Operating Parameters] 电源电压(直流) 325±25 V [Recommended Operating Parameters] 平均放电电流 0.3 mA [Recommended Operating Parameters] 最短淬灭时间 2 ms 合适的插座(单独出售) E678-9C 0755 84689265 手机/微信:18320955412 QQ:2423332841 邮箱:2423332841@qq.com ...
分类:
分享
相关产品
描述
HAMAMATSU滨松 放电火焰传感器 R14388
详细参数
|
光谱灵敏度特性(短) |
185 nm |
|
光谱灵敏度特性(长) |
260 nm |
|
电极材料 |
Ni |
|
重量 |
5.3 g |
|
[Maximum Rating] 电源电压(直流) |
420 V |
|
[Maximum Rating] 平均放电电流 |
3 mA |
|
[Maximum Rating] 峰值电流 |
50 mA |
|
[Maximum Rating] 工作环境温度 |
-40 至 +125 °C |
|
放电启动电压(直流) |
260 V |
|
放电维持电压(直流) |
185 V |
|
灵敏度典型值 |
10000 min-1 |
|
背景最大值 |
5 min-1 |
|
[Recommended Operating Parameters] 电源电压(直流) |
325±25 V |
|
[Recommended Operating Parameters] 平均放电电流 |
0.3 mA |
|
[Recommended Operating Parameters] 最短淬灭时间 |
2 ms |
|
合适的插座(单独出售) |
E678-9C |
0755 84689265 手机/微信:18320955412 QQ:2423332841 邮箱:2423332841@qq.com