HAMAMATSU滨松 高压电源模块 C9619
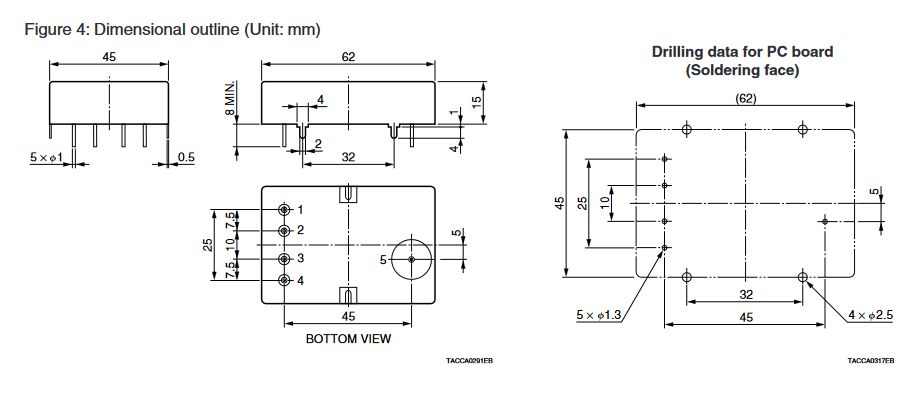
HAMAMATSU滨松 高压电源模块 C9619 详细参数 类型 紧凑型 输入电压 15 V 输入电流(无负载)典型值 120 mA 输入电流(满载)典型值 380 mA 最大值 输出电压 -2000 V 最大值 输出电流 2 mA 规格保证输出电压范围 -320 至 -2000 V 线路调节 ±0.01(针对 ±1V 输入变化)% 负载调节 ±0.01% 波纹/噪声 60 mV 温度系数 ±0.01%/°C 工作环境温度 0 至 +40 °C 工作环境湿度 85% 以下 储存温度 -20 至 +60 °C 储存湿度 90% 以下 尺寸 (W x H x D) 62 x 15 x 45 mm 重量 100 g 0755 84689265 手机/微信:18320955412 QQ:2423332841 邮箱:2423332841@qq.com ...
分类:
分享
相关产品
描述
HAMAMATSU滨松 高压电源模块 C9619
详细参数
|
类型 |
紧凑型 |
|
输入电压 |
15 V |
|
输入电流(无负载)典型值 |
120 mA |
|
输入电流(满载)典型值 |
380 mA |
|
最大值 输出电压 |
-2000 V |
|
最大值 输出电流 |
2 mA |
|
规格保证输出电压范围 |
-320 至 -2000 V |
|
线路调节 |
±0.01(针对 ±1V 输入变化)% |
|
负载调节 |
±0.01% |
|
波纹/噪声 |
60 mV |
|
温度系数 |
±0.01%/°C |
|
工作环境温度 |
0 至 +40 °C |
|
工作环境湿度 |
85% 以下 |
|
储存温度 |
-20 至 +60 °C |
|
储存湿度 |
90% 以下 |
|
尺寸 (W x H x D) |
62 x 15 x 45 mm |
|
重量 |
100 g |
0755 84689265 手机/微信:18320955412 QQ:2423332841 邮箱:2423332841@qq.com